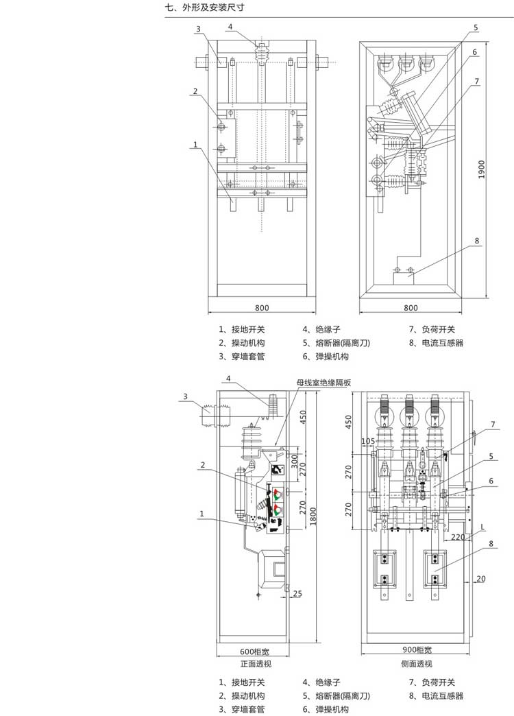
HXGN-12(F.R)固定式户内交流金属封闭环网开关设备

联系我们

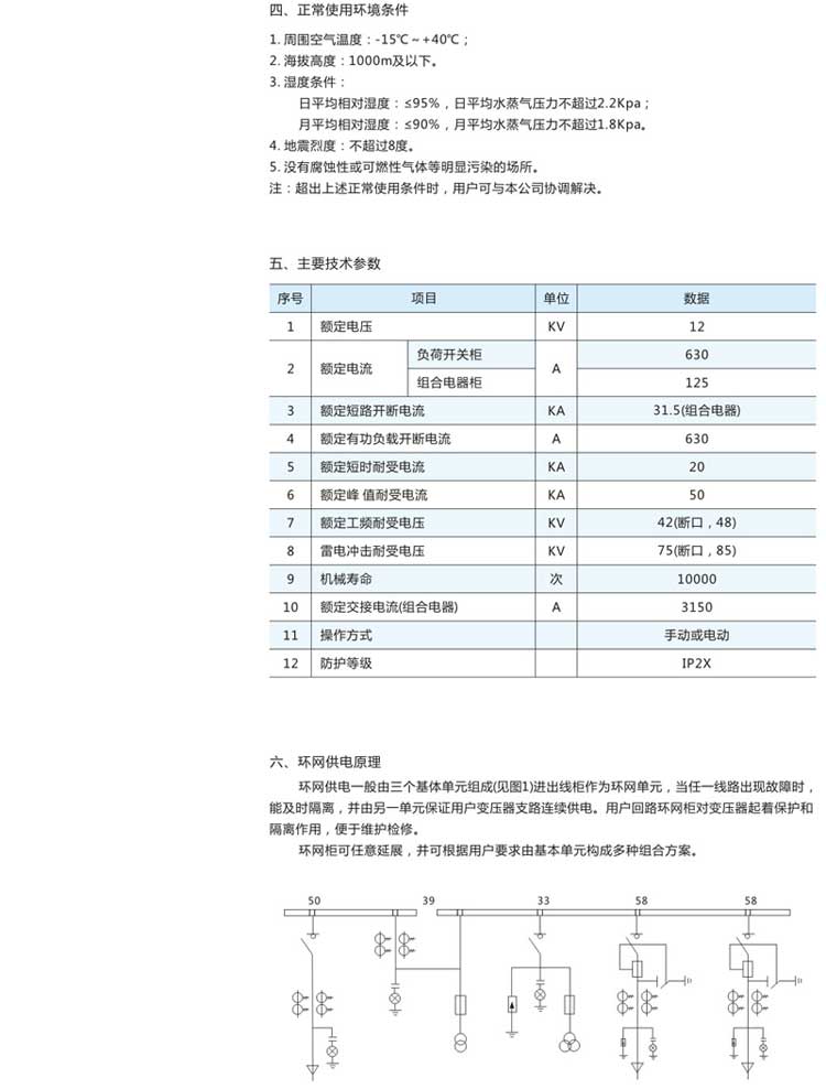
  • 详细信息



0